We sometimes encounter a circuit that is too complicated for simple analysis.
· Maybe there is a mix of series and parallel, or more than one power source.
· To deal with such complicated circuits, we use Kirchhoff’s rules, invented by G. R. Kirchhoff (1824-1887)
· His rules are just convenient applications of the laws of conservation of charge and energy.
· In the previous section, you were already (sort of) using his rules, even if you didn’t know it.
Kirchhoff's First (or “Junction”) Rule is based on the conservation of charge, and we already used it in deriving the rule for parallel resistors.
“At any junction point, the sum of all currents entering the junction
must equal the sum of all
currents leaving the junction.”
· This just means that when current reaches the branches in a parallel circuit, it will split up and take different routes.
· When the branches come back together, the currents will add back together too.

Kirchhoff’s Second (or Loop) Rule is based on the conservation of energy.
“The algebraic sum of the changes in potential around any closed path of a circuit must be zero.”
· This just means that when you look at the resistors in series, the drop in voltage across all of them will be equal to whatever the source is.

The power of these rules comes when you need to analyze a more complicated circuit that has a combination of series and parallel circuits together.
· Kirchhoff’s rules still work, you just need to be careful about how you use them.
· Unfortunately, there is no guaranteed way to always analyze a circuit. Instead, you just need to jump in and practice, but try to follow these suggestions:
o Scrunch (find equivalent resistances) of any parallel resistors first.
o Scrunch the resistors in series.
o Calculate the current going through the circuit with one equivalent resistor.
o Start to “unscrunch” all the resistors, starting with the ones in series.
o Use this current to find the voltage drops across any resistors not in parallel.
o Try to determine what voltages and currents are going through parallel branches
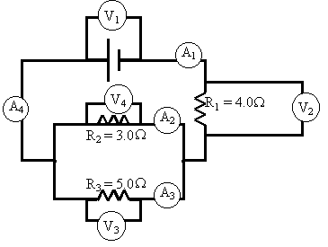
Example: The battery in this circuit is 12.0V. Find the readings of each ammeter and voltmeter on this circuit.

· To make things a little easier to see, I’ve redrawn the diagram for you below without all the voltmeters and ammeters in the way.

· First thing we need to do is “scrunch” the resistors so that we have only one resistor in the circuit.
o We do this using the formulas that we learned previously.
o Using this method we will be able to figure out the current in any part of the circuit that isn’t branched off.
o First scrunch the two resistors in parallel…
1/Rp = 1/R2
+ 1/R3
1/Rp = 1/(3.0W) + 1/(5.0W)
Rp = 1.875W ß I’m not using sig digs, since I don’t want to round off to much.
· I could redraw the diagram like this…

· Now I can scrunch the resistors in series…
RT = R1 + Rp
RT = 4.0W + 1.875W
RT = 5.875W
· We finally have a simple circuit that would look like this…

·
We will
now calculate the current flowing through the circuit…
V = IR
I = V/R
= (12.0V) / (5.875W)
I = 2.04A
·
This
is the current that ammeters A1 and A4 would be showing,
since they are not part of any branches.
·
Unscrunch
the circuit one step back to get…

·
We
know that the current in any part of a series circuit is the same, so we can
figure out the voltage drop across these two resistors…
V = IR1
= (2.04A)(4.0W)
V = 8.2V
This is the voltage drop across R1 that voltmeter V2 would be reading.
V = IRP
= (2.04A)(1.875W)
V = 3.8V
This is the voltage drop across both the resistors that are in parallel in this section.
Remember that all resistors hooked in parallel experience the same voltage.
Voltmeters V3 and V4 will read 3.8V.
·
Notice
that the total voltage drop is 8.2V + 3.8V = 12.0V … the voltage of the
battery!
o The total drop in potential around
the circuit equals the voltage of the battery.
·
Unscrunch
the circuit back to the beginning and find the current in each of the parallel
branches (after all, you know the voltage in them now).

I = V / R2
= (3.8V) / (3.0W)
I = 1.3A
This is the current that ammeter A2 will read.
I = V / R3
= (3.8V) / (5.0W)
I = 0.8A
This is the current that ammeter A3 will read.
· Notice how the total current in the branches equals the current flowing through the unbranched part of the circuit.