Voltmeters and ammeters are devices used to measure the electrical
characteristics of parts of a circuit.
·
Ammeters
measure current.
·
Voltmeters
measure voltage (potential difference).
·
The
tricky part is wiring them into a circuit so that they don’t have much of an
effect on the circuit.
o
In the
questions we do, we assume that we have “perfect” ammeters and voltmeters that
have no effect on the circuit if wired properly.
·
Because
of the different quantities they measure, and because of the make up of a
circuit, they must be wired into a circuit differently to each other.
Ammeters are always wired in series to the circuit.

·
Since
the current in a series circuit is the same all the way, the current you
measure with the ammeter is also the current flowing through the resistor.
·
If the
ammeter was wired in parallel, part of the current would branch off into the
ammeter, part into the resistor, and you wouldn’t have an accurate reading of
the current in the circuit.
·
Since
the ammeter is in series in the circuit you need to make sure that it has the
lowest resistance possible.
o
If it
has very much resistance at all, it would increase the overall resistance of
the circuit and change the current you are measuring.
Voltmeters are always wired in parallel to the
circuit.

·
Anything
that is connected in parallel has the same voltage across everything, so the
voltage drop you measure across the resistor is accurate.
o If there is no source of electricity
or resistance between the connections of the voltmeter it will read zero, since
no potential difference exists between the two points.
·
If the
voltmeter was wired in series, it would have a voltage drop of its own, but
would not be able to measure the potential difference between two points in the
circuit.
·
Since
the voltmeter is in parallel, we need to minimize how much of the current will
branch off into it.
o For this reason voltmeters always
have very high resistances.
Most of the
time you don’t buy just a voltmeter or just an ammeter.
·
Most
people now buy multimeters, which have ammeters, voltmeters, and sometimes
other meters built into one device.
·
They
are available with readouts in both old analog (dials and needles) and digital
formats.

Example: Based on the previous information for
this circuit from a previous section, we know the current in the circuit and
the voltage drops. The battery is 9.0V and the current is 0.75A. Tell me what
each ammeter and voltmeter in the other diagrams would read.
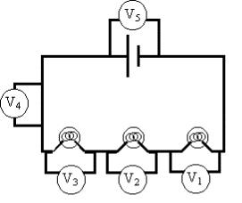
We need to consider what is happening to each ammeter in the diagram below.
Remember that in a series circuit, the current is the same
throughout. Otherwise we would be assuming that it was possible for charges to
slow down and build up at certain spots.
All of these ammeters will read the same… 0.75A.
If it was a parallel and the ammeters were in different branches, then we would get different answers.
Next we look at each of the voltmeters placed in the circuit.
We know that at V1 we will measure a 2.3V drop, at V2
we will see a 3.0V drop, and at V3 a 3.8V drop.
What about V4? Is there any change in potential there…? Nope. There’s no resistor of any sort, so there will be no drop in voltage. The voltmeter will read zero when placed here.
What will we see at V5? There is a change in potential, it’s just not a drop. Since this voltmeter is across the terminals of the battery, it will show a potential increase. In this case it should read 9.0V, since that’s the voltage of the battery.